1982 R100RT - Replace Left Handlebar Controls

Discuss all things 1970 & later Airheads right here.
Post Reply
gsm_r100rt
Posts: 7
Joined: Sun Apr 06, 2025 1:08 pm

1982 R100RT - Replace Left Handlebar Controls

Post by gsm_r100rt »

I need to replace the Left Handlebar Controls. I see that the wiring goes to the front light bucket. Will I be able to do this by removing the front glass on the fairing and removing the head light? Or will I need to remove the front fairing for more access? Any sugestions on how to navigate the rats nest inside?

Any info appreciated :)
User avatar
SteveD
Posts: 5067
Joined: Tue Aug 03, 2010 3:29 am
Location: Melbourne, Oz.

Re: 1982 R100RT - Replace Left Handlebar Controls

Post by SteveD »

Willkommen. :)

Tools. Phillips head screwdriver, needle nose pliers or a haemostat forcep.

Fairing glass out, headlight lens out. You're in.

1. The glass. Lift each internal corner of the headlight rubber to reveal the screws. Remove each screw. Lift the rubber headlight tunnel out.
2. At 6 o'clock, there's a small screw. Tilt the headlight up a little for better access. Loosen off the screw and allow the clip to release. Don’t remove the screw, just loosen then remove the chrome surround & headlight lens, disconnecting the bulb at this point. Take note how this all comes off (the notch at 12 o'clock) as you'll need to reattach. It can be fiddly.
3. Then sit in front of the headlight and work out what is what. It is very ordered and colour coded despite the initial :shock: . The forcep replaces fat fingers! :o

Image
Ignore those loose wires in the picture...you'll work it out when you open yours.

Everything is colour coded and plugs into this board...or relays.
Image

Brook takes you thru the whole rewiring...
https://youtu.be/ZwIu3xxnWMo?t=1418

;)

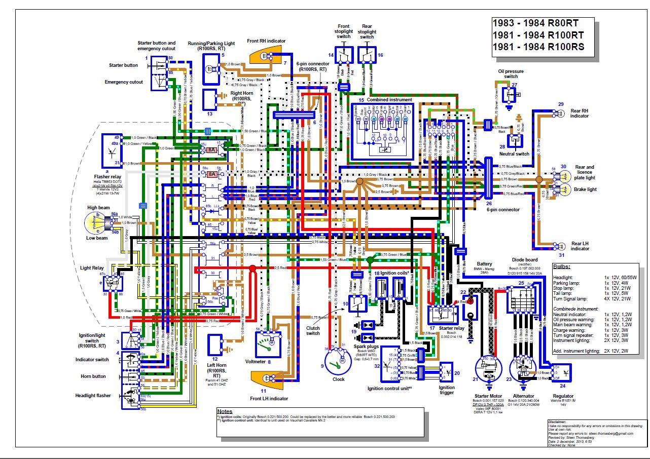
The headlight goodies are within the perforated lines in the left...
81-84 R100RS.JPG
81-84 R100RS.JPG (447.16 KiB) Viewed 3136 times
On a RS it's a matter of feeding the grouped wiring thru a hole in the headlight bucket. Remove the current one with a string/tracer attached at the front so you can attach it to the new one and pull straight thru. You might need to finesse the individual wires thru the hole initially.
Cheers, Steve
Victoria, S.E.Oz.


1982 R100RSR100RS supergallery. https://boxerboy81.smugmug.com/R100RS
2006 K1200R.
1994 R1100GS.
Post Reply