Another…charging…issue

Discuss all things 1970 & later Airheads right here.
MotoD
Posts: 29
Joined: Sat Dec 04, 2021 12:26 pm

Another…charging…issue

Post by MotoD »

:roll:

So…hello everyone. Thanks for all the valuable info that has been provided! It’s helped me immensely on my 73 R75/5!

I’m having a charging issue and hoping you all may be able to help me solve it.

All new Enduralast 2 charging system from EME plus all new chassis and engine wiring harness. I also installed a new original style ignition switch in the headlight as well. All of this works perfectly!

Now, the bike starts and runs great! Can sit and idle and runs beautifully but my battery is barley charging. It just sits and hovers around 12.5-12.8v. Occasionally getting up to 12.9-13v but I have to be at 3-4k RPM. It also has a new adjustable regulator but original starter relay.

ALSO, the GEN light never turns off. Now doing some tests I think I may have an earthing issue.

Here’s what’s going on: pulled everything apart. Rechecked all my solder points, etc…checked the new rotor and stator readings and all seems fine except the GEN light doesn’t turn off.

Now, with key ON, bike OFF. If I pull the DF wire off the brush terminal the GEN light turns off. I followed a test and it said if the light goes off with this test as mine does, there may be an earthing fault or rotor winding fault.

Same test but with D- brush pulled the light stays on which would indicate an earth back towards the charge light?

Also, Key ON I unplug either the regulator or the Blue wire from the starter relay the GEN light also turns off.

I’ve been following along with this guide:
https://forum.boxerworks.com/viewtopic. ... ed#p118140

I did the test where you jump the two blue regulator wires but it didn’t really do anything. I also tried another regulator I have from my R65.

Thanks for taking the time to read my post!
User avatar
Zombie Master
Posts: 8828
Joined: Sun Aug 22, 2010 12:21 am
Location: Vancouver Island BC Canada

Re: Another…charging…issue

Post by Zombie Master »

There is no reason to let an air cooled engine idle. Why would you need it to idle anyway. Maybe at a traffic light. These systems won't charge a battery at low rpm. Not to mention lower oil pressure at idle. I See Harley riders let their engine sit there and idle for long periods. I cringe. :x
Any and all disclaimers may apply
MotoD
Posts: 29
Joined: Sat Dec 04, 2021 12:26 pm

Re: Another…charging…issue

Post by MotoD »

Zombie Master wrote: Sat Dec 04, 2021 1:55 pm There is no reason to let an air cooled engine idle. Why would you need it to idle anyway. Maybe at a traffic light. These systems won't charge a battery at low rpm. Not to mention lower oil pressure at idle. I See Harley riders let their engine sit there and idle for long periods. I cringe. :x
Well I don’t let it sit there and idle for an extended amount of time. Just to do some quick tests and checks. Mainly checking battery voltage as I raise RPM’s and to see if the GEN lamp goes off.
harris5950
Posts: 3
Joined: Wed Dec 01, 2021 8:18 am

Re: Another…charging…issue

Post by harris5950 »

I am not used to responding to these issues but I can tell you this. The charge light has 12 volts applied to one side and is looking for a ground to light up. Current flows against the arrows in the rectifier to ground unless the alternator is turning and putting out voltage. DC voltage cannot pass between the stator and the rotor. Checks would be better with the engine running. Do you have a schematic? I keep editing this reply but if the df lifted turns the light off and the d does not then there is a ground in the rotor.
barryh
Posts: 795
Joined: Fri Oct 01, 2010 12:30 pm

Re: Another…charging…issue

Post by barryh »

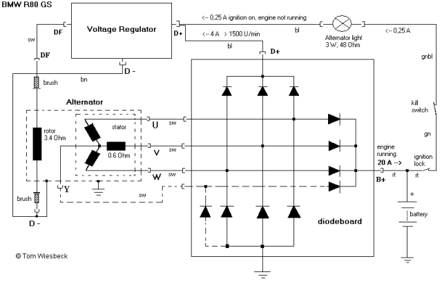
I know nothing about aftermarket charging systems but it can't be much different in principle. The voltage regulator controls the amount of excitation current through the rotor so if you momentarily bridge DF and D+ the alternator should go to full output which could be as high as 18V,
The charge light function is clearly illustrated in the schematic. It has the battery voltage on one side and the alternator output on the other side, when the alternator output exceeds the battery voltage the light goes out.

ChargingSystem3.jpg
ChargingSystem3.jpg (78.93 KiB) Viewed 2191 times
barry
Cheshire
England
Rob Frankham
Posts: 1377
Joined: Thu Aug 26, 2010 2:11 pm
Location: Scotland UK, 20 miles from civilisation up a dead end road!
Contact:

Re: Another…charging…issue

Post by Rob Frankham »

MotoD wrote: Sat Dec 04, 2021 12:39 pm :roll:

Here’s what’s going on: pulled everything apart. Rechecked all my solder points, etc…checked the new rotor and stator readings and all seems fine except the GEN light doesn’t turn off.

Now, with key ON, bike OFF. If I pull the DF wire off the brush terminal the GEN light turns off. I followed a test and it said if the light goes off with this test as mine does, there may be an earthing fault or rotor winding fault.
This is correct. This test pretty much conclusively establishes that the fault is in the rotor, or the brush box.

Same test but with D- brush pulled the light stays on which would indicate an earth back towards the charge light?
This conclusion is incorrect. The circuit (including the charge light and the rotor itself) grounds through the D- brush, If it (the brush) isn't touching the rotor slip ring the lamp should not light. The previous test effectively proves that the wiring as far as the DF brush is correct so the conclusion to be drawn from this test is that there is a short circuit to ground either in the rotor or in the Df side of the brush box

Also, Key ON I unplug either the regulator or the Blue wire from the starter relay the GEN light also turns off.
This is normal. The blue wire conveys current from the charge light to the voltage regulator when the alternator isn't turning fast enough to produce a charge. It goes via the starter relay and the diode board on the way. Breaking that connection at any point will mean that the charge light will not be lit.

In the conclusion, given the tests you have done, I can be fairly confident that there is a fault, a short circuit to ground, in one of two places. The rotor or the positive side of the brush box/brush assembly. I would recommend the following tests to establish this and find out which.

Test 1 Rotor

Lift both brushes away from the slip rings. To ensure that there is no connection at this point, insert a piece of plastic between the brushes and the slip rings.

Check for continuity between either (or better both) slip rings and the body of the rotor. If you are using a test lamp, the lamp should show no signs of lighting at all. If using a multimeter on the lowest resistance range, there should be an infinite resistance reading (i.e. no continuity at all). How this shows will depend on the model of meter, read the instructions.

A resistance of several hundred Kilohms is acceptable anything less than 10 kohms should lead to a replacement rotor. Personally, I would not be happy with a resistance reading in less than the megohm range.

If you find continuty, the rotor is almost certainly shot. If the Enduralst system is within warranty, return it to them. If not, bite the bullet and get a new rotor.

Test 2 Brush box

Remove the Df brush connector. Isolate the positive brush from the commutator by slipping a piece of plastice under the brush.

Test for continuity between the Df connecting spade on the brushbox and the cover of the alternator. If you are using a test lamp, the lamp should show no signs of lighting at all. If using a multimeter on the lowest resistance range, there should be an infinite resistance reading (i.e. no continuity at all). How this shows will depend on the model of meter, read the instructions.

A resistance of several hundred Kilohms is acceptable anything less than 10 kohms should lead to further investigation. Personally, I would not be happy with a resistance reading in less than the megohm range.

If you find continuity, you will need to remove the stator and dismantle the brush box assembly. You may just want to replace it... they are subject to wear. If not, you will need to establish how and where current is escaping to ground (and stop it).

One thing to be aware of is that the fixing stud on the rear of the brushbox, on the Df side should be electrically isolated from the metal of the cover by fibre washers and a fibre collar. The hole in the stator cover is larger on that side to accomodate this. If one of the washers or the collar has is missing or has disintegrated, then this will lead to a short circuit (i.e. your symptoms).

Rob
ImageImageImage
MotoD
Posts: 29
Joined: Sat Dec 04, 2021 12:26 pm

Re: Another…charging…issue

Post by MotoD »

Thanks for the info! This gives me a great place to start. Might be a simple answered question but would it be possible for any of the ignition or handlebar switch wiring to cause this issue? I really don’t want to pull all the wiring apart after it’s been neatly tucked and taped up :|

With the Enduralast 2 kit it did come with two new brushes that I soldered in nicely and securely. I doubt the new rotor has an issue so I’ll check the brush assembly again. I did install a “Y” terminal kit from them as well that has all the necessary fiber washers in place.

Also, should there battery voltage at the D+ terminal with key ON and NOT running? Just curious…

Thanks again, I’ll report back with my findings.
User avatar
gspd
Posts: 1123
Joined: Tue Aug 03, 2010 8:04 pm

the process of elimination

Post by gspd »

Diagnosing a charging issue on a bike that was working well for years or decades and just went kaput is a lot different than diagging a new 'install' that has never worked.

You probably would have mentioned it if you had spares around, so I'll assume you don't.
Having an aftermarket (possibly 'better' than OE?) system often complicates the 'spares' situation as some components can't be replaced with more commonly available stock parts.

Being forced used to working in a $omewhat time-$ensitive $tealership environment, the method I mentioned (thanks Airbear) in the link you posted is THE time proven way to an efficient fix. If I spend a half hour replacing a rotor or regulator and it resolves the issue, I feel no guilt in billing the victim for a full '1 hour minimum electrical problem charge' as posted behind the counter. However, if I were to literally spend hours doing every possible test, and there are a lot of them, only to come to the conclusion that the issue was simply a faulty regulator, I would be uncomfortable billing all my 'clock time'. Would you go back to a shop that charged you 2 or 3 hours labor to 'just change a regulator'?

My advice (which is worth only what you are paying for it) is that you, and every other serious airhead owner should have, at a very minimum, a known good regulator and rotor 'in stock' before attempting a charging system diag, unless they have all the time in the world to mess around, rip their hair out and/or get a migraine.

Just for the record: 99% of rotor failures are open circuit. If everything is wired correctly and your charge light is 'on' with the key 'on', your rotor is probably good. Rob F- please note I said 'probably', as there are certain rare instances (a wiring short-circuit or short to ground for instance) where this may not be true.

Another just for the record: A standby regulator takes only seconds to plug in, less time than it takes to read the instructions on how to do one of the many 'not 100% conclusive' tests you'll find plastered all over the web. The only 100% conclusive (beyond a shadow of a doubt) regulator test is replacement with a known good unit. Beware that 'known good' is not the same as 'new'. New parts are sometimes defective, which is maybe what you're experiencing.
Good luck!
Mechanic from Hell
"I remember every raging second of it...
My bike was on fire, the road was on fire, and I was on fire.
It was the best ride ever!"
MotoD
Posts: 29
Joined: Sat Dec 04, 2021 12:26 pm

Re: Another…charging…issue

Post by MotoD »

Thanks for input mate. I agree on all fronts!

I want to confirm that with Rob F’s testing it is all done with the ignition key ON…

Thanks all! You truly are a huge help to this new airhead lover!
MotoD
Posts: 29
Joined: Sat Dec 04, 2021 12:26 pm

Re: Another…charging…issue

Post by MotoD »

Ok Updates! So I had accidentally put one of the fiber washers on the D- side and the DF side was touching bare stator. Whoops 😬

Now second issue. I restarted the bike. Same issue. Higher voltage now over 13v but GEN light still on.

Back to drawing board. I un plugged the brand new regulator. Jumped the two blue wires and wammo. We’re getting charging and the GEN light goes dim but not all the way off. Plug in a spare regulator from my R65 and same result. Charges but dimly lit. So…I may have a further grounding issue.

Also when running. I’m only pushing out roughly 4-9v at the DF terminal on the stator.
Post Reply